
15 technical challenges to consider and conquer when designing a 48V power delivery network
To help better prepare for your 48V migration, consider the following 15 challenges as you embark on your first 48V designs
Vicor devices such as the VTM and BCM use the Sine Amplitude Converter Topology (SAC) to provide isolation and voltage transformation functions, allowing you to place these functions where they are required, separating them from regulation.
The SAC also allows a flexible approach to design: devices based upon this topology can be used on their own, or connected in series or parallel to provide higher output currents or voltages.Figure 1 – Connecting VTMs in series and parallel
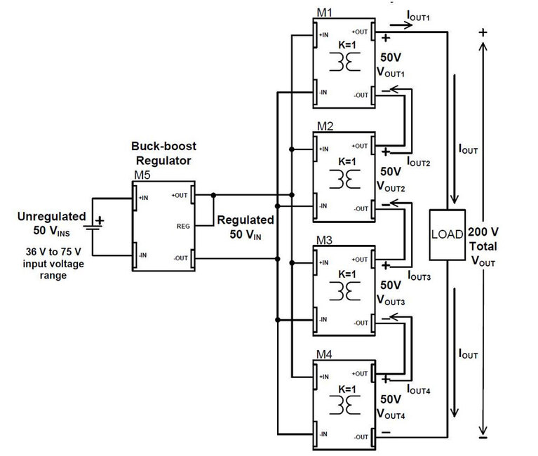
Consider the following example: a regulated 200V rail is needed at the load from a 36V to 75V input voltage. To achieve this, four 50V output voltage SAC modules (VTMs) M1, M2, M3 and M4 of the same K factor of 1 are used. Input and output voltage is equal for a K factor of 1. Output current IOUT is common to all SAC modules. In this implementation, it is important to enable all SAC modules in a group to start all of them simultaneously for correct operation of resulting converter.
Total output voltage is the sum of output voltage given by all SACs connected in series output as given below for N number of SACs.
Where Total_VOUT = Total output voltage of series connect sine amplitude converters. N is the number of SAC modules. KN and VOUTN are the transformation factor and output voltage for each series connected SAC, VIN is the SAC input voltage which is equal to the output voltage of the regulator modules and VINS is the voltage of the unregulated input voltage source applied at the input terminals of the regulator.
The final system is shown below:
Figure 2: 50 V Input, 200 V Output Power Chain Using VTMs in Series
Related content
Product overview: PRM and VTM
Application note: PRM and VTM parallel array operation
Application note: Creating higher voltage outputs using series connected sine amplitude converter
15 technical challenges to consider and conquer when designing a 48V power delivery network
To help better prepare for your 48V migration, consider the following 15 challenges as you embark on your first 48V designs
Future-proof automotive high-voltage-to-SELV conversion
Legacy 12V architecture is no longer capable of sustaining the rising electronic loads in automobiles. Learn how power modules hasten the transition to 48V
Power modules simplify creepage and clearance design solutions for electric vehicles
Overmolding is the key to solving arcing issues in 48V automotive power systems
Power under pressure: Meeting the military’s surging energy demands
More capability (power) and compatibility are in demand for military power system designers. Learn how the Vicor SOSA Power Supply solves this problem



